Первое включение диммера EasyHomeDIM-LED
Подключение EasyHomeDIM-LED
Внимание! Во избежание поражения электрическим током перед началом работы отключите электропитание.
- Осмотрите диммер и убедитесь в отсутствии механических повреждений.
- Установите диммер на DIN-рейку.
- Ознакомьтесь с рекомендациями по подбору оборудования для подключения.
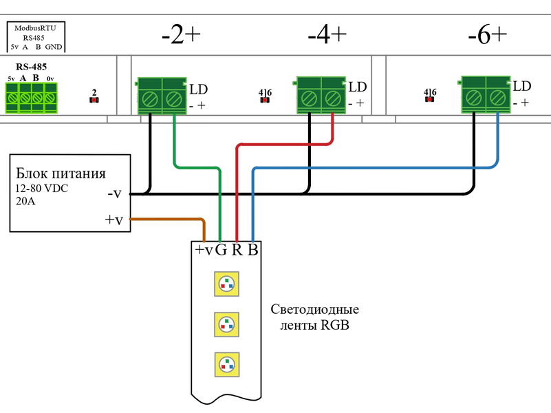
- Подключите диммер к источнику питания.
- Подключите нагрузки. Диммер EasyHomeDIM-LED предназначен для диммирования светодиодных лент.
- Подключите выходы блока питания (БП) к ленте и диммеру.
- Подключите БП к питанию согласно его инструкции.
- Для работы с приложением EasyHome Dimmer подключите диммер к сети Ethenet через разъем с левой боковой стороны устройства.
- При необходимости подключите альтернативные способы управления: кнопки, регуляторы или контроллер. По умолчанию в диммере включена функция автоопределения типа входа (кнопка будет работать на диммирование соответствующего канала при длинном нажатии и на его включение/выключение при коротком нажатии; регулятор будет диммировать соответствующий канал). Связь с контроллером осуществляется по протоколу ModbusRTU через порт RS485.
- Включите питание диммера и проверьте индикацию:
- Светодиод 5V должен гореть зеленым — индикация наличия питания.
- Светодиод IO должен медленно мигать синим — индикация работы внутреннего чипа, быстрое мигание сигнализирует о приеме команд по интерфейсу RS485.
- Светодиод у колодки канала должен мигать красным — индикация текущей яркость (интенсивность мигания в зависимости от яркости на выходе).

| Назначение | EeasyHomeDIM |
|---|---|
| Основное питание диммера | Блок питания на 18-36 В мощностью от 9 Вт. |
| Блоки питания для светодиодных лент | Выбор исходя из характеристик ленты. Можно воспользоваться калькулятором блока питания светодиодной ленты. Ограничение по напряжению: 12-80 В. Ограничение по току: 20 A |
| Светодиодные ленты | При выборе лент следует учесть ограничения блока питания |

При дальнейших настройках диммера необходимо изменить режим работы выхода на ШИМ(PWM). Изменение настроек выхода в приложении EasyHome Dimmer смотреть ниже.


Каждый диммер имеет шесть входов и вывод встроенного источника питания на 12В для подключения выключателей, регуляторов и датчиков 0-10В. Ниже представлены настройки входов, которые можно изменить в приложении или изменив значение регистров.
| Вариант управления | Описание |
|---|---|
| 0: Не используется | Диммер только измеряет входное напряжение или определяет нажатие кнопки, управление отсутствует |
| 1: Аналоговый вход (0-10В) | Для подключения регулятора |
| 2: Нажатие-вкл/выкл канал; удержание - диммирование канала | Коротким нажатием клавиши осуществляется включение и выключение соответствующего канала, длинное нажатие плавно изменяет его яркость |
| 3: Нажатие-вкл/выкл канал; удержание - вкл/выкл всё | Коротким нажатием клавиши осуществляется включение и выключение соответствующего канала, длинное нажатие включает и выключает все каналы |
| 4: Нажатие-вкл/выкл всё; удержание - диммирование канала | Коротким нажатием клавиши осуществляется включение и выключение всех каналов, длинное нажатие плавно изменяет яркость соответствующего канала |
| 5: Классический выключатель | Включение и выключение канала |
| 6: Классический переключатель | Изменение состояния канала |
| Автоопределение (по умолчанию) | Автоматическое определение состояния входа: аналоговый вход (0-10В) или нажатие-вкл/выкл канал, удержание - диммирование канала |
Настройка приложения EasyHome Dimmer
Скачайте приложение на ваше устройство.
| EasyHomeDimmer для Windows | ||
| EasyHome Dimmer для Android (.apk) | ||
| EasyHome Dimmer для iOS |
Добавление диммера
- Подключите диммер и ваше устройство к одной сети Ethernet/Wi-Fi.
- Включить источник питания диммера. Подключение диммера описано в инструкции.
- Запустить приложение «EasyHomeDIM» на вашем устройстве. Установка приложения приведена в разделе по ссылке.
- В приложении перейти на вкладку «Устройства» и нажать на иконку «+».

- В открывшемся окне выбрать соответствующую операцию.
- Автоматический поиск
- Ручное добавление устройства
- Для осуществления ручного добавления устройства, нажать «Добавить вручную».
- В открывшемся окне ввести IP-адрес диммера и нажать «Добавить».
- Для отмены операции нажать «Отмена».
- В случае, если устройства не будут найдены, пользователю будет показано сообщение «Устройство не найдено». При успешном добавлении диммер отобразиться на вкладке «Устройства» и можно перейти к настройкам ламп.
Основные настройки
- В приложении перейти на вкладку «Устройства» и выберете устройство из списка. Откроется окно управления лампами.
- Откройте настройки устройства. Здесь можно переименовать диммер, посмотреть основную информацию об устройстве, изменить параметры входов диммера, если для управления дополнительно используются выключатели/регуляторы и выполнить настройки ламп.
- Перейдите к настройкам нужной лампы.
- Измените имя лампы.
- Выберите тип выхода: PWM — для светодиодных лент;
- Измените время замедления разгорания и затухания.
- Измените диапазон диммирования.
Изменение диапазона диммирования
Для корректного управления подключенными к диммеру устройствами, необходимо установить пороговые значений минимальной и максимальной яркости свечения.
Вариант 1. Подбор порогов яркости.
- В открывшемся окне управления лампами выбрать нужный канал.
- Установите для выбранного канала яркость 100%, перемещая палец по слайдеру на экране.

- Перейти в раздел приложения «Настройки».

- Выберите нужную лампу из списка.
- Уменьшите максимальную яркости лампы, нажимая кнопку «-». Нажмите сохранить.

- Повторяйте п.5 до тех пор, пока лампа, подключенная к диммеру, не начнет уменьшать яркость свечения.
- Вернитесь в окно управления лампами.
- Установите значение уровня яркости 1%, передвигая палец по слайдеру на экране.

- Перейдите в раздел приложения «Настройки».
- Выберите нужную лампу из списка.
- Увеличьте максимальную яркость, нажимая кнопку «+». Нажмите сохранить.

- Повторяйте п.11 до тех пор, пока лампа, подключенная к диммеру, не начнет загораться.
Пример:
Выставляем яркость лампы 1 на 100%. Переходим в настройки и уменьшаем максимальную яркость на 25, нажимаем сохранить. Яркость лампы не уменьшилась, значит уменьшаем еще на 25, сохраняем и повторяем. На значении максимальной яркости 180 лампа 1 уменьшила свою яркость, значит увеличиваем яркость до 190, сохраняем и проверяем, что при дальнейшем увеличении порога яркость перестала увеличиваться.
Открываем окно управления лампами и выставляем яркость 1%. Открываем настройки лампы и увеличиваем минимальную яркость на 25, сохраняем. Лампа не начала разгораться, значит повторяем увеличение. На значении 50 лампа начала тускло гореть, сохраняем эти значения и переходим к настройкам остальных ламп.
Вариант 2. Расчет порогов яркости.
- Определите при каком проценте яркости лампа начинает разгораться и при каком проценте яркость достигает максимума.
- Переведите значения в шкалу 0…255 по формуле (Яркость)%*255/100.
- Введите полученные значения в настройки максимальной и минимальной яркости лампы.
- Нажмите сохранить.
- При необходимости откорректируйте значения.
Пример:
При постепенном увеличении яркости лампа 1 начала разгораться на значении 20%. При последующем увеличении яркости установлено что на 75% лампа 1 достигла своей максимальной яркости. Переводим значения 20% и 75% в шкалу 0...255. Минимальная яркость для лампы 1: (20*255)/100 = 51; максимальная яркость: (75*255)/100 = 191. Вводим полученные значения в настройки лампы 1. Нажимаем сохранить.


